Big Dog Motorcycle Ignition Module

Ignition Module 2005 11 Carburetor Models Big Dog Motorcycles

Ignition Module 2005 11 Carburetor Models Big Dog Motorcycles

Amazon Com Big Dog Motorcycles Ignition Module Automotive

Amazon Com Big Dog Motorcycles Ignition Module Automotive

No Spark Sometimes Big Dog Motorcycles Forum

No Spark Sometimes Big Dog Motorcycles Forum

No Spark Sometimes Big Dog Motorcycles Forum

These modules are for carburetor bikes only and will not fit fuel injected models.

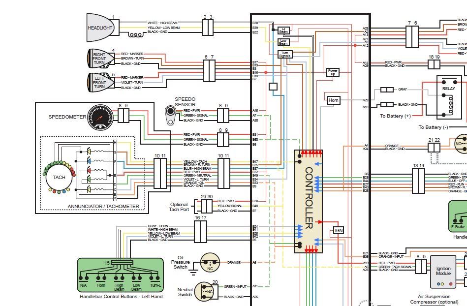
Big dog motorcycle ignition module. Manufacturer of american v twin motorcycles and comprehensive selection of parts accessories. Refer to the front of this chapter for a general description and removal installation instructions. Check continuity to the run off button. Oem big dog ignition module.

This replacement module works with all of the switches used on all 2004 models through current big dog motorcycles. Took the vent out of the gas cap too. Big dog motorcycles ignition module 2005 2011 models 5 out of 5 stars 1 product rating 1 product ratings big dog motorcycles ignition module 2005 2011 models. Nice used thunderheart ignition module.

Battery vr stator connections near the ehc ignition module and other things have been checked. Check the crank position sensor. The solid state electronics provide high coil out put and superior reliability. Check the compression relief valves.

Since then we have continued to manufacture new big dog motorcycle parts with most of the original vendors using factory o e m. Usually when the scoot dies always when riding it will fire up on it s own after i coast in gear. The have wiggled the key with scoot running and it doesnt kill the engine until it is suppost to. Battery and charging system the battery is the heart of the electrical system.

Sometimes it fires up immediately and other times i have to stop and cycle the key and wait a few minutes. This high performance ignition module provides your plugs with more spark over the stock module. Used dielectric grease on all connections. Big dog motorcycles ignition module 2005 2011 models 5 out of 5 stars 1 product rating 1 product ratings big dog motorcycles ignition module 2005 2011 models.

Refer to the ignition system section and flow chart for testing procedures. These units cross fit all big dog motorcycle models from 2005 11. Tested and fully functional.

Big Dog Motorcycles Thunderheart Probador Herramienta Con

Big Dog Motorcycles Thunderheart Probador Herramienta Con

Purchase Thunderheart Ignition Module W Green Plug Big Dog Custom

Purchase Thunderheart Ignition Module W Green Plug Big Dog Custom

Ignition Module 2004 Older Dual Fire 170 00251 269 99

Ignition Module 2004 Older Dual Fire 170 00251 269 99

Ignition Module Programmable For All Single Fire Big Dogs 000

Ignition Module Programmable For All Single Fire Big Dogs 000

Big Dog Chopper With New Ignition Switch And Ultima Single Fire

Big Dog Chopper With New Ignition Switch And Ultima Single Fire

Thunderheart Confused A Little Big Dog Motorcycles Forum

Thunderheart Confused A Little Big Dog Motorcycles Forum

Ultima Single Fire Programmable Ignition Kit For Big Dog

Ultima Single Fire Programmable Ignition Kit For Big Dog

Big Dog Motorcycles Ehc Controller System Oem Rip Gen 2 Efi

Big Dog Motorcycles Ehc Controller System Oem Rip Gen 2 Efi

Www Deadonecustoms Com Bdm Accessories Bdm Electrical Accessories

Www Deadonecustoms Com Bdm Accessories Bdm Electrical Accessories

Learn More About The Pdm Electrical System By Bdm Performance

Learn More About The Pdm Electrical System By Bdm Performance

Ignition Questions Page 5 Big Dog Motorcycles Forum

Ignition Questions Page 5 Big Dog Motorcycles Forum

03 Bigdog Rewire Club Chopper Forums

03 Bigdog Rewire Club Chopper Forums

Testing Ignition Module Big Dog Motorcycles Forum

Testing Ignition Module Big Dog Motorcycles Forum

Ehc Big Dogs 2002 And Older See Description Before Purchase

Ehc Big Dogs 2002 And Older See Description Before Purchase

Big Dog Motorcycles 2003 Ehc Rip Controller System Ebay

Big Dog Motorcycles 2003 Ehc Rip Controller System Ebay

Big Dog Ehc Rip Install Tutorial Youtube

Big Dog Ehc Rip Install Tutorial Youtube

Big Dog Motorcycles Parts Ebay Stores

Big Dog Motorcycles Parts Ebay Stores

Motorcycle Electrical Ignition Parts For Big Dog For Sale Ebay

Motorcycle Electrical Ignition Parts For Big Dog For Sale Ebay

Big Dog Motorcycles Thunderheart Ignition Module Tester W

Big Dog Motorcycles Thunderheart Ignition Module Tester W

Motorcycle Regulators For Big Dog For Sale Ebay

Motorcycle Regulators For Big Dog For Sale Ebay

Big Dog Motorcycles Ignition Switch Key Blank 4t All Models Bdm

Big Dog Motorcycles Ignition Switch Key Blank 4t All Models Bdm

2004 Choper Won T Fire After Wire Plus Installation Big Dog

2004 Choper Won T Fire After Wire Plus Installation Big Dog

Ultima Single Fire Programmable Ignition Kit Harley Evo Blockhead

Ultima Single Fire Programmable Ignition Kit Harley Evo Blockhead

Big Dog Ecm 04 10 Ehc Complete Kit New Ignition Switch Wpsna

Big Dog Ecm 04 10 Ehc Complete Kit New Ignition Switch Wpsna

Advertisement Ebay Starter Fits Big Dog Coyote 2009 1 Ha5305c

Advertisement Ebay Starter Fits Big Dog Coyote 2009 1 Ha5305c

Bouncing Tachometer Big Dog Motorcycles Forum

Bouncing Tachometer Big Dog Motorcycles Forum

Motorcycle Electrical Ignition Switches For Big Dog For Sale Ebay

Motorcycle Electrical Ignition Switches For Big Dog For Sale Ebay

Source : pinterest.com